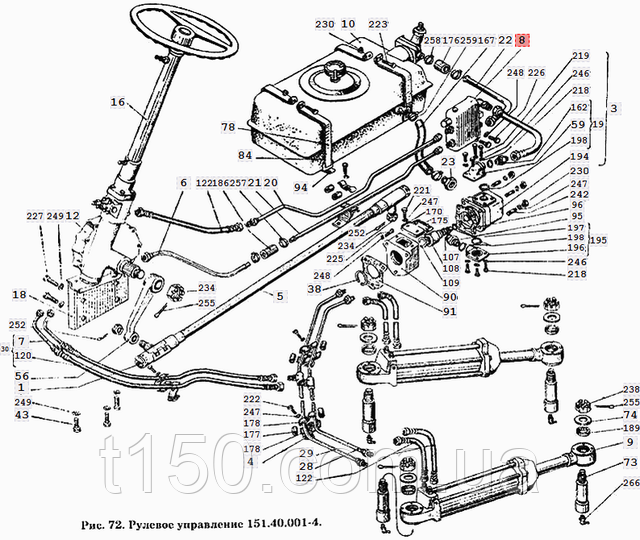
151.40.039-1 Клапан витрати т-150

| Номер | Найменування |
| 125.40.046-1 | Шланг у зборі |
| 125.40.242 | Штуцер насоса |
| 125.40.255 | Шланг забірний |
| 125.40.336 | Кришка |
| 125.57.207 | Прокладка |
| 125.57.208 | Шланг |
| 150.53.131-1 | Втулка муфти |
| 150.53.132 | Муфта запобіжна |
| 150.53.133 | Кільце завзяте |
| 150.61.010 | Рукав високого тиску П-3000 діаметр 16 |
| 151.40.001-4 | Кермове керування в зборі |
| 151.40.022-2 | Тяга в зборі |
| 151.40.026-1 | Насос у зборі |
| 151.40.027-1 | Кронштейн трубок у складі |
| 151.40.028-1 | Кронштейн у зборі |
| 151.40.029-1 | Труба зливна передня в зібраному вигляді |
| 151.40.032-3 | Труба від розподілювача верхня в зібраному вигляді |
| 151.40.039-1 | Клапан витрати в зборі |
| 151.40.040-3 | Гідроциліндр у спорі |
| 151.40.044-4 | Бак гідросистеми в складанні |
| 151.40.051-1 | Кермовий механізм у зборі |
| 151.40.056-1 | Колонка кермового керування в зборі |
| 151.40.058 | Кронштейн кермового механізму в зборі |
| 151.40.061-1 | Муфта кутова в зборі |
| 151.40.063-2 | Труба від клапана до золотника в зборі |
| 151.40.064-2 | Труба зливна в зібраному вигляді |
| 151.40.065 | Труба від клапана до фільтра в зборі |
| 151.40.066 | Труба від бака до насоса в зборі |
| 151.40.074 | Труба верхня в складі |
| 151.40.075 | Труба нижня в зібраному вигляді |
| 151.40.076 | Труба зі шлангом у зборі |
| 151.40.148 | Кольцо 1В72 ГОСТ 13841-68 |
| 151.40.183 | Болт 3М14.3х25.109 ГОСТ 7798-70 |
| 151.40.216-1 | Сошка кермового керування |
| 151.40.226 | Муфта кутова |
| 151.40.278 | Палець |
ТОВ «Електромаш плюс» понад 10 років спеціалізується на продажах запасних частин до тракторів Т-150, ДТ-75, Т-16, Т-25, МТЗ, ЮМЗ. Комбайнам ДОН-1500, НІВА СК-5.
Ми є постачальниками продукції багатьох виробників, зокрема:
- ТОВ «УМТК» (Офіціальні представники)
- ПАТ «ХТЗ»
Власне виробництво запчастин і трубок для пневматичних/гідравлічних систем.
Запчастин на двигун, зчеплення, КПП, роздавальна коробка, рама, кермове керування, гальмо, підвіска, передача кардана, мости, пристрій навісний, добірний
потужності, інше, паливна апаратура, Насоси-досатори, сірники, радіатори, диски зчеплення, стрічки гальмівні, ресори, листи ресор, насоси водяні, генератори, стартера, магнето, електрообладнання.
Доставимо замовлення будь-якою службою з перевезення вантажів або авіаторовим автобусом.
Здійснює регулярні постачання запчастин, вузлів і агрегатів у всі регіони України організаціям різної форми власності.
За тривалий період часу наша організація зарекомендувала себе як відповідальний і серйозний діловий партнер.
На підприємстві розроблена жорстка система вхідного контролю якості виробів.
Оптимальні ціни та вибір альтернатив. Гнучка система знижок.
| Основні | |
|---|---|
| Країна виробник | Україна |
| Тип техніки | Сільськогосподарська техніка |
| Тип запчастини | Оригінал |
| Стан | Новий |
| Гарантійний термін | 12 міс |
| Код запчастини | 151.40.039-1 |
- Ціна: 1 950 ₴





